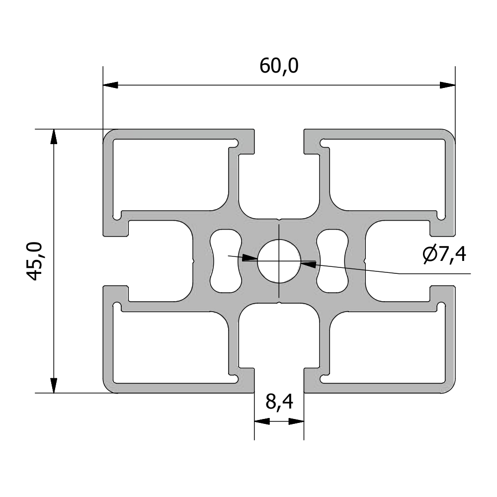
PROFILATO 45x60 4 CAVE

CODICE DESCRIZIONE STEP PDF
B1160 PROFILATO 45x60 4C
B1165 TAPPO 45x60
alluminio EN AW-6060 MgSi 6006/1
stato fisico T6
anodizzazione ARC10
L barre 6040 mm, taglio a misura a richiesta
MASSA LINEARE (Kg) 2.18
SEZIONE AL TAGLIO (mm2) 808
MOMENTO D'INERZIA A FLESSIONE Ix (cm4) 16.06
MOMENTO D'INERZIA A FLESSIONE Iy (cm4) 27.25
MODULO DI RESISTENZA A FLESSIONE Wx (cm3) 7.13
MODULO DI RESISTENZA A FLESSIONE Wy (cm3) 9.08

PROGETTI E IMPIEGHI

45 per noi min
assieme gabbia tapparella min
nastro erba conigli min
nastro trasportatore inclinato min
rulliera motorizzata alluminio 03 min
Perché ....

.... scegliere l'alluminio ?
Perché è tra i metalli meno pregiati dal punto di vista industriale e tra i più nobili dal punto di vista dell'impiego: è meglio essere il migliore tra i dilettanti o il peggiore tra i professionisti?

.... scegliere il fornitore TRIMAT ?
Perché, parafrasando una nota campagna pubblicitaria, NON È il primo della lista e, quindi, attua sforzi quotidiani per crescere; perché il suo personale vanta un'esperienza ultra ventennale, superiore alla vita dell'azienda stessa, ha fatto tesoro degli errori altrui e apporta costantemente migliorie di prodotto.

.... recintare un'isola di lavoro o proteggere una macchina automatica ?
Perché spesso è più semplice tenere a distanza, impedendo l'accesso alle persone non autorizzate, piuttosto che prevedere un comportamento avventato, foriero di pericolo o rischio, per sé stessi e per gli altri.
​Perché, oltre alla Legge, lo impone il buon senso, e non solo a tutela degli operatori: per un'azienda, l'incidente sul lavoro è l'evento peggiore che possa accadere!

.... progettare un trasportatore o una macchina automatica con il telaio in profilati di alluminio ?
​Perché hanno le cave che possiamo sfruttare per sostenere gli accessori e le parti di azionamento e controllo indispensabili per l'integrazione con le macchine e gli impianti esistenti.
​Perché progettare è difficile, prevedere ogni dettaglio ancora di più e il sistema modulare concede spazio alle modifiche in corso d'opera.

.... attrezzare un laboratorio con un banco realizzato con profilati in alluminio ?
Perché immaginare quali saranno le esigenze future non è facile e i profilati in Alluminio, grazie alle cave -o gole- permettono di personalizzare nel tempo le postazioni di lavoro.

.... acquistare un nastro trasportatore o una rulliera motorizzata ?
Perché sono infaticabili, sollevano gli operatori da operazioni alienanti, perché liberano tempo da destinare ad attività più redditizie; perché sono il naturale complemento a macchine automatiche e impianti, perché svolgono tutte le attività di movimentazione senza lamentarsi della ripetitività delle operazioni!

Dovete ....

.... costruire una macchina automatica ?
Spendete qualche minuto e rivolgete l'attenzione all'area prodotti dedicata ai profilati strutturali in alluminio e a quella dei progetti dedicata ai telai e strutture portanti.

​​Sia in questo caso, che per altra esigenza, all'interno dei cataloghi PDF, scaricabili on-line dalla pagina con menù dedicato, troverete tutte le informazioni relative -per esempio- alla categoria profilati strutturali in alluminio, alla sezione  profilati chiusure e ai prodotti profilato 45x60 4 cave, complete delle schede tecniche di ogni singolo articolo mentre, in questo spazio web, le indicazioni necessarie per individuare il prodotto "giusto", il codice adeguato o l'oggetto "risolutivo".

Cataloghi e filosofia

Per politica aziendale TRIMAT ha scelto di non "gonfiare" i propri cataloghi con articoli e prodotti non perfettamente compatibili con la geometria dei profilati strutturali del proprio sistema costruttivo.
profilati chiusure e profilato 45x60 4 cave sono tutt'altro che un riempitivo di pagine privo di specificità rispetto al settore preferenziale al quale il profilato di alluminio è rivolto.

​Nella costruzione delle commesse TRIMAT impiega, per filosofia aziendale e non certo per obbligo, i medesimi codici proposti a catalogo: profilato 45x60 4 cave e profilati chiusure ne sono degli esempi.
Tale scelta ha indotto l'azienda ad essere molto selettiva e di avere un occhio sempre rivolto alla funzionalità, alla bontà delle soluzioni e alla semplicità di montaggio, aspetti che si traducono sempre in risparmio economico.

TRIMAT fornisce....

​....solamente profilati in barre o anche pezzi lavorati?
I profilati sono commercializzati sia in barre intere sia tagliate a misura, con possibilità di lavorazioni quali maschiature, forature e fresature.

​....solo prodotti standard o anche con personalizzazioni?
Entrambi: le scorte di magazzino le consentono di gestire i codici a catalogo, considerati standard, l'ufficio tecnico interno le produzioni a disegno cliente.

​....soltanto parti da assemblare o anche prodotti finiti?
La politica di vendita dell'azienda prevede sia la fornitura di componenti, sia di pre-assemblati, sia la costruzione di prodotti finiti, a disegno o su proprio progetto a seguito di indicazioni cliente.

In magazzino

profilati chiusure e profilato 45x60 4 cave rientrano tra i prodotti che TRIMAT mantiene a scorta e commercializza dopo aver selezionato e messo a punto, in collaborazione con i propri fornitori partner, quelli più idonei a soddisfare la clientela, sia nelle situazioni di maggiore utilizzo quotidiano, che nella specificità della singola situazione progettuale o costruttiva.

​Le informazioni relative alle famiglie dei prodotti profilati strutturali in alluminioprofilato 45x60 4 cave e profilati chiusure sono raggruppate per categorie e sezioni che compaiono nei cataloghi in formato PDF disponibili sul web.

A disposizione !

Desiderate approfondire l'aspetto tecnico di un oggetto della categoria profilati strutturali in alluminio?
​​​Siete interessati a un prodotto della sezione  profilati chiusure o al gruppo di articoli profilato 45x60 4 cave?​​

​​​Vorreste ricevere una proposta commerciale per un prodotto della categoria profilati strutturali in alluminio?
​​​​​Non esitate a farci pervenirela vostra richiesta a mezzo e-mail o a contattare il funzionario vendite che vi segue: ricevere la quotazione sarà questione di ore.​​​

​Siete intenzionati all'acquisto di prodotti quali ad esempio  profilati chiusure o profilato 45x60 4 cave?
​​​Inoltrateci il vostroordine a mezzo e-mail o prendete contatto con il vostro referente vendite: laconferma formalizzata vi giungerà in tempi brevissimi.

​​​ ​​​Nella pagina CONTATTI troverete i riferimenti necessari per ricevere, telefonicamente o in forma elettronica, tutte le informazionidel caso.​​
​Preferite incontrarci?
​​​TRIMAT vive a Viganò, in provincia di LECCO, ed è vicina e ben collegata alle maggiori direttrici.

TORNA SU